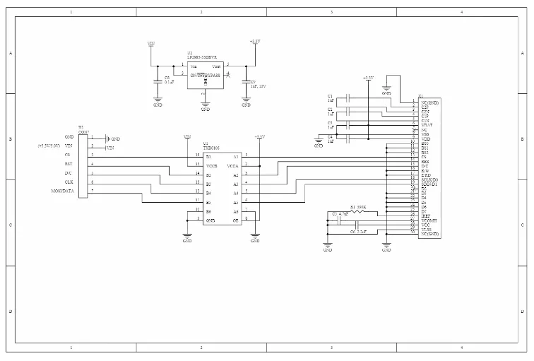
Story
GitHub Link: https://github.com/mike-rankin/spi_oled_3.3v-5.0v
This is GitHub account: https://github.com/mike-rankin where you will explore more excellent projects. He is a good DIY maker who designs custom ESP32 IoT projects using Altium Designer, Arduino IDE and Fusion360. Welcome everyone to follow.
 
    
 
                                         
                                         
                                         
                                         
                                         
                                         
                                         
                                         
                                         
                                         
                                        


 
                             
                             
                                     
                                     
                             
                             
                             
                             
                     
                                                 
                                                 
                                         
                                                 
                                         
                                                 
                                         
                                                 
                                         
                                         
                                                 
                                         
                                                 
                                         
                                                 
                                         
                                         
                                         
                                         
                                                 
                                        
