2 PACK 2.4inch ESP32 Solo Miner LCD Display Cryptocurrency Solo Miner¶
Model DHM05324D
Schematic:¶
| Pin Name | Description | Connector Type |
|---|---|---|
| SPK | Output audio signal,connected with speakers. The motherboard comes with a power amplifier chip circuit. | PH2.0-2P |
| PWR | Power LED. | |
| RESET | Reset button. Push it to reset the system. | |
| BOOT | ||
| GPIO_D | Digital and artificial I/O interface. | HY2.0-4P |
| I2C | Build the communication among micro controller and peripheral devices. | HY2.0-4P |
| TF | Provide off-line save and extra storage space. | |
| UART1 | Build the communication among Logic modules, including serial communication module and print module. | HY2.0-4P |
| BAT | Connect with the lithium battery. (With the battery charging circuit)(Input voltage: 3.7–4.2 V) | PH2.0-2P |
| UART0 | Provide serial communication, supply voltage(transform USB to UART0) and serial information printing. | HY2.0-4P/USB-C |
| 2.4-inch HMI Port | Pin Number |
|---|---|
| GPIO_D | IO25; IO32 |
| UART | RX(IO16); TX(IO17) |
| I2C | SDA(IO22); SCL(IO21) |
| SPK | IO26 |
| SD Card Slot(SPI) | MOSI(IO23); MISO(IO19); SDK(IO18); CS(IO5) |
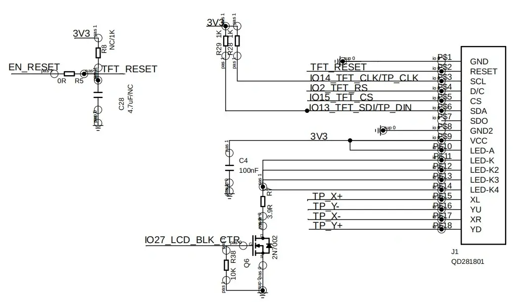
Schematic Diagram¶
ESP32-WROOM-32 and TFT display wiring pins
Schematic Diagram:
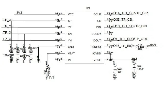
ESP32-WROOM-32 and touch driver wiring
Schematic Diagram:
Platforms Supported¶
Version 1.0¶
| Arduino IDE | SquareLine Studio | PlatformIO |
|---|---|---|
![]() | ![]() | ![]() |
![]() | ![]() | ![]() |
| ESPHome | MicroPython | ESP-IDF |
|---|---|---|
![]() | ![]() | ![]() |
![]() | ![]() | ![]() |
V1.0_A_green_circular_sticker_on_the_back¶
| Arduino IDE | SquareLine Studio | PlatformIO |
|---|---|---|
![]() | ![]() | ![]() |
![]() | ![]() | ![]() |
| ESPHome | MicroPython | ESP-IDF |
|---|---|---|
![]() | ![]() | ![]() |
![]() | ![]() | ![]() |
Miner_User_Manual(Manufacturer's Paid Version)¶
Introducing Video(Self-funded version)¶
Resources¶
Github link:
(This GitHub link usually may contain 3D files, schematics, program code, factory firmware, factory sourcecode and other materials. Please click to view.)
How to buy¶
Please visit this page to purchase 2 PACK 2.4inch ESP32 Solo Miner LCD Display.
Support¶
If you encounter any issues while using the service, you can contact us via the social media links in the bottom-right corner of elecrow or send an email to techsupport@elecrow.com for technical support.











